|
В. Клочков НЕСКОЛЬКО РЕКОМЕНДАЦИЙ ПО ПРИМЕНЕНИЮ ФАЗОВОГО РЕГУЛЯТОРА КР1182ПМ1Особенности
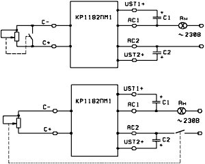
Микросхема 1182ПМ1 является новым решением проблемы регулировки мощности в классе высоковольтных мощных электронных схем. Благодаря уникальной технологии возможно применение ИС для сети переменного тока до 230В, при этом необходимо минимальное количество внешних элементов. Непосредственное применение ИС - для плавного включения и выключения электрических ламп накаливания или регулировки их яркости свечения. Так же успешно ИС может применяться для регулировки скорости вращения электродвигателей мощностью до 150 Вт (например, вентиляторами) и для управления более мощными силовыми приборами (тиристорами). Микросхема имеет два силовых вывода для включения в цепь последовательно с нагрузкой, два вспомогательных вывода и два входа управления для подключения регулировочного резистора, конденсатора или других элементов управления. При использовании микросхемы КР1182ПМ1 (рис. 1, 2) в схемах управления лампами накаливания необходимо учитывать, что в холодном состоянии сопротивление спирали лампы приблизительно в 10 раз меньше, чем в разогретом. При этом амплитудное значение тока в момент включения лампы мощностью, например, 150 Вт достигает 10 А. Конструкция микросхемы выдерживает такой ток всего несколько миллисекунд. Разогрев же спирали лампы длится несколько полупериодов сетевого напряжения. В схеме плавной коммутации (рис. 2) при постепенном увеличении фазового угла постепенно увеличивается подаваемое на лампу напряжение, что дает возможность ее спирали к моменту подачи полной фазы разогреться до максимальной температуры. Осциллографические исследования показали, что при рекомендуемых значениях внешних элементов для схемы плавной коммутации ток через лампу мощностью 150 Вт за весь интервал времени включения не превышает 2√2,5 А. Все это справедливо при условии, что включение осуществляется ключом К на рис. 2, а не штепсельной вилкой. При включении лампы в сеть штепсельной вилкой микросхема будет подвергаться значительным токовым перегрузкам по следующим причинам. Если первоначально лампа была плавно включена, то после отключения лампы от сети внешняя емкость С3, задающая время включения, будет разряжаться только своим током утечки (так как входное сопротивление входа управления очень велико), и в течение неопределенного времени будет оставаться заряженной. Если в это время снова подать сетевое напряжение (спираль к этому времени уже остыла), то схема будет пропускать почти полную фазу сетевого напряжения, лампа и микросхема при этом будут выдерживать достаточно большую токовую перегрузку до полного разогрева спирали. Этот режим аналогичен включению в сеть штепсельной вилкой лампы в схеме регулирования яркости (рис. 1), когда регулировочный резистор стоит в положении, соответствующем полной яркости. Многократное повторение такого режима уменьшает надежность микросхемы. Поэтому основные рекомендации заключаются в следующем. Включение в сеть штепсельной вилкой ламп мощностью, превышающей 100 Вт, желательно осуществлять при положении выключателя К ╚замкнуто╩ (рис. 2). Время плавного включения регулируется изменением емкости С3 и составляет от десятых долей секунды (для защиты лампы от перегорания) до нескольких секунд (визуальное восприятие плавности). В процессе плавного включения при замыкании ключа К емкость будет разряжаться с постоянной времени, определяемой ключа К емкость будет разряжаться с постоянной времени, определяемой разницей между постоянной времени разряда емкости С3 через резистор R2 и постоянной времени заряда вытекающим током микросхемы, что может также составлять несколько секунд. В схеме регулирования яркости желательно совместить сетевой выключатель с регулировочным резистором. При этом выключатель должен размыкаться после вывода резистора в положение, при котором значение сопротивления минимально (рис. 3а), что соответствует состоянию лампы ╚выключено╩. Включать устройство в сеть рекомендуется в таком же положении резистора и выключателя. При использовании маломощного выключателя (рис. 3б) его замыкание должно происходить после вывода резистора в положение, при котором значение сопротивления минимально. Это также соответствует состоянию лампы ╚выключено╩. Включение в сеть штепсельной вилкой желательно осуществлять в таком же положении резистора и выключателя. При использовании фазового регулятора в схемах регулирования скорости вращения электрических двигателей, например, вентиляторов, необходимо учитывать, что микросхема обеспечивает задержку включения тиристоров относительно нуля фазы переменного напряжения, приложенного к ней. При индуктивной нагрузке фаза напряжения на выходе микросхемы сдвинута относительно фазы сетевого напряжения. Если при этом индуктивная нагрузка оказывается чувствительна к несимметричности полуволн положительной и отрицательной полярности, например, намагничиванию сердечников индуктивностей, то при одинаковом угле отсечки, формируемом микросхемой, средние токи через индуктивную нагрузку окажутся различными, что в конечном итоге может неблагоприятно сказываться на КПД двигателей. Поэтому следует обратить внимание на это явление при решении вопроса о применении ИС для каждого конкретного типа двигателя. Так как допускается использование ИС с лампами накаливания мощностью не более 150 Вт, что связано, в первую очередь, с возможным включением прибора в сеть штепсельной вилкой в положении регулировочного резистора "полная яркость" на холодную спираль лампы, то для применения с более мощными лампами и устройствами возможно параллельное соединение двух и более микросхем, как показано на рис. 4. Допускаемая мощность увеличивается пропорционально количеству микросхем. При этом количество элементов управления остается прежним. Элементы управления подключаются к одной из микросхем, остальные же микросхемы соединяются между собой выводами силовых тиристоров 14, 15 (АС1) и 10, 11(АС2), закорачиваются входы управления С+ (вывод 3)и С- (вывод 6) каждой микросхемы, кроме основной. Ниже приведены два варианта использования микросхемы КР1182ПМ1 в качестве регулятора мощности для сети переменного тока, предложенные Ю.В. Семеновым (г. Ростов-на-Дону). Ориентировочная область применения.
Основные технические данные.
При замене переключателя SA1 на конденсатор ╦мкостью 50┘200 мкФ и резистора R1 на выключатель устройство будет работать в режиме плавного пуска (плавного увеличения мощности на нагрузке после размыкания выключателя). В заключении, хотелось бы добавить, что данную микросхему можна приобрести в фирме ╚АКИК-Восток╩ при розничной цене 4,82 грн. за штуку. |


НЕСКОЛЬКО РЕКОМЕНДАЦИЙ ПО ПРИМЕНЕНИЮ ФАЗОВОГО РЕГУЛЯТОРА КР1182ПМ1.


