Функциональная схема ИМС К174УН12
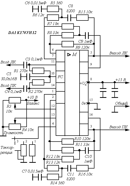
Типовая схема включения ИМС К174УН12
Электрические параметры
Предельно допустимые режимы эксплуатации
Литература
═ ═ ═ ═ Микросхема представляет собой двухканальный электронный регулятор громкости и баланса каналов, имеет возможность подключения и выбора оптимальной тонкоррекции. Предназначены для использования в звуковоспроизводящей и приемно-усилительной аппаратуре 1-го и 2-го классов совместно с К174УН10. В состав микросхем входят управляемые напряжением усилители и преобразователи напряжения. Аналог микросхемы TСA730. Содержит 215 интегральных элементов. Конструктивно оформлена в корпусе типа 238.16-2. Масса не более 1,5 гр.
Корпус ИМС К174УН12
1,2 - вход усилителя громкости канала А; 3 - выход усилителя громкости канала А; 4 - вывод управления тонкоррекцией; 5 - выход усилителя громкости канала Б; 6,7 - вход усилителя громкости канала Б; 8 - питание +Uи.п.; 9 - выход усилителя регулятора баланса канала Б; 10 - вывод стабилизатора напряжения; 11 - вход усилителя регулятора баланса канала Б; 12 - вход управления регулятора баланса; 13 - вход управления регулятора громкости; 14 - вход усилителя регулятора баланса канала А; 15 - общий (-Uи.п); 16 - выход усилителя регулятора баланса канала А. |
Функциональная схема ИМС К174УН12
Функциональный состав:УI,УII - управляемые напряжением усилители регулятора громкости; УIII,УIV - управляемые напряжением усилители регулятора баланса; KI - преобразователь напряжения регулятора громкости; KII - преобразователь напряжения регулятора балан |
Типовая схема включения ИМС К174УН12

Электрические параметры
| ═ 1 ═ | ═ Номинальное напряжение питания | ═ 15 В |
| ═ 2 ═ ═ |
═ Ток потребления при Uп = 15 В ═ типовое значение |
═ 40 мА ═ 35 мА |
| ═ 3 ═ ═ ═ |
═ Коэффициент усиления входного напряжения при ═ Uп = 15 В, Uвых = 1 В, ═ f = 1 кГц, Rн = 5,6 кОм ═ типовое значение |
═ ═ 17 Дб ═ 20 Дб |
| ═ 4 ═ ═ ═ |
═ Коэффициент ослабления входного напряжения при ═ Uп = 15 В, Uвых = 1 В, f = 1 кГц, Rн = 5,6 кОм ═ типовое значение |
═ ═ 70 Дб ═ 80 Дб |
| ═ 5 ═ | ═ Входное сопротивление регулятора при Uп = 15 В, f = 1 кГц | ═ 3 мОм |
| ═ 6 ═ | ═ Входной ток по выводам 11 и 14 при Uп = 15 В | ═ 2 мкА |
| ═ 7 ═ ═ |
═ Входное напряжение при Uп = 15 В, f = 1кГц,
Кг 0,2 % : ═ типовое значение |
═ 1,0 В |
| ═ 8 ═ ═ |
═ Коэффициент гармоник при Uп = 15 В,
Uвых = 1 В, f = 1 кГц ═ типовое значение |
═ 0,2 % ═ 0,1 % |
| ═ 9 ═ ═ ═ ═ ═ |
═ Ток управления при Uп = 15 В: ═ через вывод 13, U13 = 6,9 В ═ типовое значение ═ через вывод 12, U12 = 5,9 В ═ типовое значение |
═ ═ 50 мА ═ 15 мА ═ 25 мА ═ 8 мА |
| ═ 10 ═ ═ |
═ Диапазон регулировки уровня громкости с выключенной ═ тонкоррекцией при Uп = 15 В, Uвх = 100 мВ, f = 1 кГц ═ типовое значение |
═ ═ 70 Дб (-60┘+17 Дб) ═ 90 Дб (-70┘+20 Дб) |
| ═ 11 ═ ═ ═ |
═ Диапазон регулировки баланса с выключенной тонкоррекцией ═ при Uп = 15 В, Uвх = 100 мВ, f = 1 кГц, Rн = 5,6 кОм ═ типовое значение |
═ ═ ± 6 Дб ═ ± 10 Дб |
| ═ 12 ═ ═ |
═ Диапазон рабочих частот по уровню -1Дб с выключенной ═ тонкоррекцией при Uп = 15 В, Ку = 0 |
═ ═ 20 Гц ┘ 20 кГц |
| ═ 13 ═ ═ ═ ═ ═ |
═ Переходное затухание между каналами при Uп = 15 В, Uвых = 1 В : ═ при f = 250 Гц ┘ 12,5 кГц ═ типовое значение ═ при f = 20 Гц ┘ 20 кГц ═ типовое значение |
═ ═ 56 Дб ═ 60 Дб ═ 46 Дб ═ 50 Дб |
| ═ 14 ═ ═ ═ ═ ═ |
═ Рассогласование коэффициента передачи между каналами: ═ при Uп = 15 В, Uвых/Uвх = 0 ┘ -50 Дб не более ═ типовое значение ═ при Uп = 15 В, Uвых/Uвх = -50 ┘ -70 Дб не более ═ типовое значение |
═ ═ 2,0 Дб ═ 1,0 Дб ═ 4,0 Дб ═ 2,0 Дб |
| ═ 15 ═ ═ ═ |
═ Отношение сигнал-шум с выключенной тонкоррекцией ═ при Uп = 15 В, Uвх = 100 мВ, Uвых = 50 мВ не менее ═ типовое значение |
═ ═ 52 Дб ═ 57 Дб |
Предельно допустимые режимы эксплуатации
| ═ 1 ═ | ═ Максимальное напряжение питания | ═ 18 В |
| ═ 2 ═ ═ ═ |
═ Максимальное постоянное управляющее напряжение ═ на выводах 12 и 13 ═ на выводе 4 |
═ ═ 12 В ═ 3 В |
| ═ 3 ═ | ═ Максимальное напряжение входного сигнала | ═ 1 В |
| ═ 4 ═ | ═ Минимальное сопротивление нагрузки | ═ 5 кОм |
| ═ 5 ═ | ═ Температура окружающей среды | ═ - 10 ┘ + 55°С |
Литература
Микросхемы для бытовой радиоаппаратуры: Справочник /И. В. Новачек, В. М. Петухов, И. П. Блудов, А. В. Юровский. - Москва: КУБК-а, 1995г. - 384с.:ил.
Интегральные микросхемы и их зарубежные аналоги: Справочник. Том 2./А. В. Нефедов. - М.:КУБК-а, 1996г. - 640с.:ил.
Аналоговые интегральные микросхемы: Справочник /А .Л. Булычев, В. И. Галкин, В. А. Прохоренко. - 2-е издание, переработанное и дополненное - Минск: Беларусь, 1993г. - 382с.
Аналоговые интегральные микросхемы для бытовой радиоаппаратуры: Справочник /Д. И. Атаев, В. А. Болотников. - Москва: Издательство МЭИ, 1991г. 240 с., ил.


Параметры интегральной микросхемы К174УН12
1,2 - вход усилителя громкости канала А;
Функциональный состав: