|
О. Дворников, В. Чеховский, dvr@basnet.minsk.by Низковольтный выходной усилительРечь пойдет о новой микромощной ИС, состоящей из двух операционных усилителей и регулируемого стабилизатора напряжения, которая работоспособна при напряжении питания 1,1-1,5~В и позволяет реализовать мостовой или двухканальный выходной усилитель для работы на низкоомную нагрузку. В различной автономной радиоэлектронной аппаратуре: мобильных телефонах, слуховых аппаратах, переносных звукозаписывающих и звуковоспроизводящих устройствах, - требуются микромощные ИС для обработки переменного сигнала в диапазоне частот 0,1√15 кГц, работающие при напряжении питания 1,1-1,5~В. Несмотря на преимущества цифровой обработки звукового сигнала, в двух случаях невозможно обойтись без аналоговых ИС:
Существуют несколько альтернативных подходов к проектированию низковольтных микромощных аналоговых ИС. Аналоговые схемы, изготовленные по КМОП-технологии, имеют минимальный статический ток потребления, но чаще всего неработоспособны при напряжении питания, меньшем 1,6~В, поэтому низковольтные КМОП ИС имеют встроенный преобразователь, повышающий минимально допустимое напряжение питания 1,1~В до величины 2,6-3~В, достаточной для работы остальной схемы. К сожалению, необходимость расположения ИС вблизи нагрузки, имеющей индуктивный характер (телефон), не позволяет применять высокоэффективные индуктивные повышающие преобразователи напряжения из-за возникающих помех и, кроме того, дискретные индуктивности имеют довольно большие габариты. Емкостные преобразователи при требуемом 3-, 4-кратном повышении напряжения имеют относительно низкий коэффициент полезного действия (КПД), который значительно увеличивает потребление тока источника питания, особенно при наличии выходного каскада, работающего на низкоомную нагрузку. Новые возможности да╦т применение комплементарной биполярно-полевой пары, включающей усилительный n-p-n-транзистор и р-канальный полевой транзистор управляемый переходом (р-ПТУП) в качестве активной нагрузки. Если напряжение отсечки р-ПТУП составляет ~ 0,2~В, то такой каскад, соедин╦нный с нагрузкой через истоковый повторитель, обеспечивает усиление 50-60 дБ при амплитуде выходного сигнала от VEE + 0,2~В до VCC - 0,2~В. Главным недостатком комплементарной биполярно-полевой пары является высокая стоимость микросхем из-за сложности одновременного формирования на одной полупроводниковой пластине n-p-n-транзисторов, сохраняющих усиление при малых коллекторных токах 5√20~мкА, и р-ПТУП с воспроизводимым напряжением отсечки 0,2√0,3~В при максимальном токе стока 10-20~мкА. Разработка новых схемотехнических решений позволила получить на комплементарной биполярной паре допустимый диапазон синфазного сигнала, включающий положительное и отрицательное напряжение питания. Падение напряжения на прямосмещ╦нном эмиттерном переходе в режиме малых токов ~ 0,6~В и напряжение коллектор-эмиттер в насыщении ~ 0,2~В ограничивают минимальное напряжение питания комплементарных биполярных схем. Преодоление этих ограничений усложняет схемотехнику и неизбежно приводит к увеличению тока потребления. Таким образом, ни один из существующих подходов не лиш╦н недостатков и поэтому при создании низковольтного выходного усилителя работы проводились по двум направлениям проектирования: ИС ╧ 1, содержащей счетвер╦нный микромощный ОУ с минимальным напряжением питания 3~В и емкостной повышающий преобразователь напряжения; ИС ╧ 2, содержащей два ОУ с умощн╦нным выходным каскадом и регулируемый стабилизатор напряжения для работы с напряжением питания 1,1~В. По обоим направлениям получены положительные результаты, однако с нашей точки зрения, более перспективна ИС ╧ 2, что объясняется следующими факторами. Схемотехника микромощного счетвер╦нного ОУ обеспечивает удовлетворительные параметры при ╫VCC╫ - ╫VEE╫ > 3 В, однако выходное напряжение тр╦хкратного емкостного преобразователя составляет 2,6√3,6 В при напряжении питания 1,1√1,5 В и КПД 45√60%. Относительно низкий КПД определяется плохими ключевыми свойствами интегральных горизонтальных p-n-p-транзисторов, улучшение которых возможно только при усложнении технологического процесса, а увеличение выходного напряжения преобразователя за сч╦т добавления ещ╦ одного каскада привед╦т к дальнейшему уменьшению КПД. С другой стороны, ИС ╧ 2 имеет универсальную структуру: два соедин╦нных по неинвертирующему входу ОУ с n-p-n-входным дифференциальным каскадом и регулируемый стабилизатор напряжения, - позволяющую получить различные изделия, работающие при напряжении питания 1,1~В:
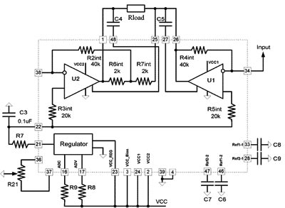
Рисунок 1. Схема включения ИС как мостового выходного усилителя
Рисунок 2. Схема включения ИС как двухканального выходного усилителя
Следует отметить, что ИС имеет выводы частотной коррекции 27, 48, которые можно использовать для обеспечения устойчивой работы ИС в качестве повторителя напряжения или реализации фильтра низких частот. Если требуется усиление более 15 дБ и не надо регулировать постоянное выходное напряжение, то схему включения можно значительно упростить, а именно, удалить все фильтрующие конденсаторы C3-C9 и резисторы R8, R9. Качество встроенного в ИС стабилизатора характеризует зависимость его выходного напряжения от величины тока, протекающего через нагрузку при различных режимах работы: рис. 3 - при отключенной регулировке выходного тока и напряжения, рис. 4 - при установке максимального выходного напряжения и тока. Рисунок 3. Зависимость выходного напряжения стабилизатора от величины тока, протекающего через нагрузку при отключенной регулировке выходного тока и напряжения
Рисунок 4. Зависимость выходного напряжения стабилизатора от величины тока, протекающего через нагрузку при установке максимального выходного напряжения и тока
В таблице суммированы предварительные результаты измерений ИС выходного усилителя. Таблица 1. Предварительные результаты измерений ИС выходного усилителя
Универсальная структура ИС позволила реализовать на основе двух кристаллов А1, А2 функционально полный канал (рис. 5) обработки звукового сигнала с усилением более 70 дБ при работе на заземл╦нную 330-Ом нагрузку. К сожалению, при таком включении ИС привед╦нный ко входу шум составил ~ 15 мкВ, что довольно много. Предварительный анализ выявил, что причиной такого шума является встроенный в цепь обратной связи резистор ~ 40 кОм, который не только сам вносит большой вклад в шум, но и не позволяет увеличить коэффициент усиления предварительного усилителя напряжения. Данный недостаток можно устранить при минимальной корректировке фотошаблонов за сч╦т размыкания цепи обратной связи и подключения внешнего резистора. При этом канал обработки сигнала можно реализовать в виде гибридной ИС (ГИС), прич╦м его преимуществом, по сравнению с полностью монолитным вариантом, является устранение взаимодействия между малошумящим входным и мощным выходным каскадом аналогично конструкции GM3008 [4], возможность получения требуемой полосы пропускания (фильтрации сигнала) встроенными в ГИС конденсаторами и получение дополнительных функций: регулировки коэффициента усиления, предварительного усилителя телефонной катушки и отдельного выхода регулируемого стабилизатора для питания микрофонного усилителя. Рисунок 5. Схема включения ИС как полного канала обработки звукового сигнала
Экспериментальные образцы ИС были собраны в 48-выводной четыр╦хсторонний планарный корпус. В дальнейшем возможна сборка кристаллов в другие корпуса или в гибридную ИС. |


Низковольтный выходной усилитель



