Распродажа

Электронные компоненты со склада по низким ценам, подробнее >>>

Новости электроники

Мне нравится

Комментарии

дима пишет в теме Параметры биполярных транзисторов серии КТ827:

люди куплю транзистар кт 827А 0688759652

тамара плохова пишет в теме Журнал Радио 9 номер 1971 год. :

как молоды мы были и как быстро пробежали годы кулотино самое счастливое мое время

Ивашка пишет в теме Параметры отечественных излучающих диодов ИК диапазона:

Светодиод - это диод который излучает свет. А если диод имеет ИК излучение, то это ИК диод, а не "ИК светодиод" и "Светодиод инфракрасный", как указано на сайте.

Владимир пишет в теме 2Т963А-2 (RUS) со склада в Москве. Транзистор биполярный отечественный:

Подскажите 2т963а-2 гарантийный срок

Владимир II пишет... пишет в теме Параметры биполярных транзисторов серии КТ372:

Спасибо!

Регуляторы напряжения LM117/LM217/LM317 в диапазоне 1.2 - 37 V от STM

Особенности:

  • Диапазон выходного напряжения 1.2 - 37 V
  • Выходной ток более 1.5 A
  • Нестабильность выходного напряжения 0.1%
  • Защита от короткого замыкания
  • Защита от перегрева
  • Описание:LM117/LM217/LM317 монолитная интегральная схема в корпусе TO-220, ISOWATT220, TO-3 или D2PAK. Представляет из себя положительный регулятор напряжения с выходным током более 1.5 A и диапазоном напряжения от 1.2 до 37 вольт. Номинал выходного напряжения регулируется переменным резистором, что делает устройство очень простым в применении.

    Назначение выводов
    Возможные модификации (Ordering information)
    Тип TO-3 TO-220 ISOWATT220 D2PAK
    LM117 LM117K - - -
    LM217 LM217K LM217T - LM217D2T
    LM317 LM317K LM317T LM317P LM317D2T
    Предельно допустимые параметры и температурные характеристики
    Обозначение Параметр Значение Единица измерения
    Vi-o Входное-выходное напряжение 40 V
    Io Выходной ток Внутренне ограничен -
    Top Температура перехода для LM117 -55 + 150 °C
    Температура перехода для LM217 -25 + 150
    Температура перехода для LM317 0 + 125
    Tstr Температура хранения -65 +150
    Ptot Мощность рассеивания Внутренне ограничена -
    Электрические характеристики
    Обозн. Параметр Условия LM117/LM217 LM317 Ед. изм.
    Мин. Тип. Макс. Мин. Тип. Макс.
    ΔVo Нестабильность входного напряжения Vi-Vo=3 to 40V, Tj=25╟C - 0.01 0.02 - 0.01 0.04 %/V
    Vi-Vo=3 to 40V - 0.02 0.05 - 0.02 0.07 %/V
    ΔVo Нестабильность выходного напряжения Vo менее или равно 5V, Io от 10mA до Imax, Tj=25╟C - 5 15 - 5 25 mV
    Vo менее или равно 5V, Io от 10mA до Imax - 20 50 - 20 70 mV
    Vo более или равно 5V, Io от 10mA до Imax, Tj=25╟C - 0.1 0.3 - 0.1 0.5 %
    Vo более или равно 5V, Io от 10mA до Imax - 0.3 1 - 0.3 1.5 %
    Iadj Ток регулировочного вывода - - 50 100 - 50 100 µA
    VREF Опорное напряжение (между pin 3 and pin1) Vi-Vo=2.5 to 40V, Io от 10mA до Imax 1.2 1.25 1.3 1.2 1.25 1.3 V
    ΔVo/Vo Температурная стабильность выходного напряжения - - 1 - - 1 - %
    Io(min) Минимальный выходной ток Vi-Vo=40V - 3.5 5 - 3.5 10 mA
    Io(max) Максимальный выходной ток Vi-Vo меньше или равно 15V 1.5 2.2 - 1.5 2.2 - A
    Vi-Vo=40V, Tj=25°C - 0.4 - - 0.4 - A
    eN Выходной уровень шумов B = 10Hz to 10KHz, Tj=25°C - 0.003 - - 0.003 - %

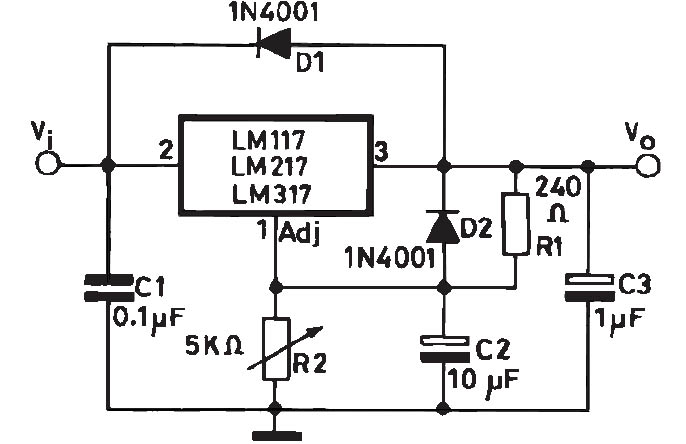
    Информация по применению: LM117/LM217/LM317 создает внутреннее опорное гапряжение 1.25V между выходом и регулировочным выводом. Это сделано чтобы установить постоянный ток через резисторный делитель, как показано на рисунке. Регулятор сконструирован таким образом, чтобы уменьшить значение IADJ (максимум 100mA) и поддерживать его постоянным при изменении входного напряжения и нагрузки. В виду того что LM117/LM217/LM317 плавный регулятор и определяет разницу напряжений между входом и выходом питание высоким напряжением может продолжаться сколь угодно долго в максимально допустимых пределах. Благодоря этому, путем установки фиксированного резистора между регулировочным выводом и выходом, устройство можно использовать как прецизионный регулятор тока. Для того чтобы оптимизировать нестабильность выходного напряжения, резистор R1, устанавливающий ток, должен быть по номиналиу, насколько возможно, близок к полному сопротивлению резистора R2. Для уменьшения пульсаций регулятора можно добавить блокировочный конденсатор (C1) 0.1 µF на входе, и конденсаторы на выходе (C2, C3) для подавления шумов на выходе. Также хорошей практикой является использование защитных диодов (D1, D2).

    Схема регулятора с защитными диодами
    Регулятор на 15 вольт с плавным включением и регулятор тока
    Регулятор на 5 вольт с перезагрузкой и регулятор со ступенчатым выбором напряжения
    Регулятор для зарядного устройства на 12 вольт и регулятор на 6 вольт с ограничителем тока.

    Вернуться к списку схем, категория "Источники питания"