Компоненты ON Semiconductor для устройств питания сверхъярких светодиодов и светодиодных матриц
Источники света на базе полупроводниковых светодиодов сегодня получают все большее и быстрое распространение благодаря ряду преимуществ перед «классическими» источниками на лампах накаливания или газоразрядных:
- эффективность излучения — до 40 лм/Вт;
- долговечность — более 100000 часов;
- стойкость к воздействию низких температур (до -50°С) и механических вибраций;
- широта и точность воспроизведения излучаемого спектра;
- возможность микропроцессорного управления вкл/выкл и уровнем светимости в полном диапазоне без изменения спектра излучения;
- меньшие габариты и масса.
При одинаковом уровне излучения линейка светодиодов потребляет мощность в два и более раза меньшую, чем лампа накаливания. Например, 6 сверхярких светодиодов с суммарной мощностью потребления 30 Вт (6х5 = 30 Вт) обеспечивают световой поток 750 лм, такой же, как лампа накаливания мощностью 75 Вт.
Все эти качества определяют предпочтительное использование светодиодных источников света в новых разработках.
У ламп накаливания, газоразрядных или газонаполненных, характеристики зависят от уровня и стабильности напряжения на них. У светодиодов характеристики светимости зависят от уровня и стабильности протекающего через них тока. Поэтому к устройствам питания светодиодов (в дальнейшем преобразователям) предъявляются специальные требования по регулированию выходного тока в зависимости от характеристик источника питания и нагрузки.
Типы преобразователей и области применения
В соответствии с классом решаемых задач можно выделить три основные исходные ситуации, определяющие требования к преобразователям, в зависимости от области применения.
1. Понижающий. Напряжение источника питания во всех режимах работы заведомо не ниже требуемого выходного напряжения для управления светодиодами.
Данная ситуация характерна при проектировании систем освещения, источником питания которых является сеть переменного тока 220 В или подобная. Это может быть освещение помещений, улиц, вагонов поездов, рекламная подсветка и пр. Сюда же можно отнести и источники света на транспорте с напряжением бортовой сети 12, 24 В.
2. Повышающий. Напряжение источника питания во всех режимах работы заведомо не выше требуемого выходного напряжения для управления светодиодами.
Данная ситуация характерна при проектировании систем подсветки дисплеев и других устройств визуализации, где для питания матрицы с большим количеством светодиодов в столбце применяются источники низкого вторичного напряжения, аккумуляторы и батареи.
3. Конвертерный. Напряжение источника питания может быть как выше, так и ниже требуемого выходного напряжения для управления светодиодами.
Подобная ситуация чаще всего возникает в портативных устройствах с автономным питанием, где напряжения заряженной и разряженной батареи сильно отличаются.
Понижающие преобразователи
Для их реализации наиболее часто используются Flyback, Buck (Step-Down) - схемы преобразования. Характеризуются максимальной простотой и высокой эффективностью.
Рассмотрим типичный пример применения Flyback-преобразователя на базе регулятора ON Semiconductor NCP1028 (рис. 1).

Рис. 1. NCP1028 в обратноходовом преобразователе для питания светодиодов
NCP1028 — новейший представитель импульсных регуляторов ONS со встроенным силовым MOSFET, позволяющим создавать источники питания мощностью до 25 Вт без использования внешнего силового транзистора. Внутренняя схема обработки сигнала обратной связи (ОС) обеспечивает непосредственное подключение фототранзистора без дополнительных компонентов. Дополнительная обмотка силового трансформатора Т1 и схема внешнего питания NCP1028 необходимы только в случае проектирования источника с предельно допустимой мощностью потребления выше 20 Вт. При небольшой мощности потребления питание NCP1028 может осуществляться за счет встроенной динамической системы питания (Dynamic Self-Supply), для работы которой требуется только накопительный конденсатор С8. Обратная связь по току выполнена на базе резистивного датчика R3 и усилителя сигнала на транзисторе Q1.
Во многих применениях, где нет непосредственного контакта пользователя с устройством, например, в уличном освещении, от источника питания не требуется гальваническая развязка. В этом случае схема преобразователя может быть значительно упрощена. Включение NCP1028 или подобного регулятора по схеме стандартного Buck-преобразователя позволяет получить простое и дешевое решение для массового применения (рис. 2).

Рис. 2. Простой Buck-регулятор без гальванической развязки на базе NCP1014
Здесь NCP1014 (аналог NCP1028, но с меньшим допустимым током MOSFET 450 мА) — ключ, L3 — дроссель, D5 — выпрямитель. В системах освещения не требуется высокая стабильность тока, поэтому можно обойтись без замкнутой ОС, реализовав уставку тока через дроссель при помощи резистора R2, подключенного к выводу 2 (вход сигнала ОС) NCP1014. Такое решение обеспечивает точность регулирования порядка ±5%. Безусловно, при необходимости более точного регулирования может быть применена схема с замкнутой ОС с датчиком тока (рис. 3).

Рис. 3. Выходная схема с расщепленным дросселем и замкнутой ОС по току
При большом отношении входного напряжения к выходному можно реализовать так называемую накачку (трансформацию) тока за счет применения расщепленного дросселя (рис. 3). Выпрямитель D5 подключен к части обмотки L3 в соотношении 3:1. Подобное решение позволяет обеспечить ток нагрузки, превышающий допустимый ток ключа, в данном случае встроенного силового транзистора NCP1014. Например, при Uвх = 220 В, Uвых = 16...20 В (4...5 сверхярких светодиодов с прямым напряжения падением на каждом 4...5 В) отношение Uвх/ Uвых составляет грубо 10:1. Такое отношение позволяет установить коэффициент преобразования тока не менее 4. На рис. 4 представлены осциллограммы сигналов для такого варианта схемы с расщепленным дросселем.

Рис. 4. Осциллограммы тока и напряжения в схеме с расщепленным дросселем
Как видно из диаграммы СН2 (голубая), значение тока, протекающего через транзистор NCP1014 (открыт), не превышает 250 мА, а при закрывании транзистора ток в расщепленной части обмотки L3 возрастает практически до 1 А.
Для дальнейшего упрощения и снижения себестоимости преобразователя фильтр на L2 может быть исключен из схемы в зависимости от заданных требований к уровню излучаемых помех. При наличии данного фильтра обеспечивается уровень помех не более 45 дБ (рис. 5).

Рис. 5. Спектр излучаемых помех по цепям питания для схемы, показанной на рис. 2
Для питания светодиодных источников света в электрооборудовании транспортных средств, где напряжение бортовой сети составляет десятки вольт, удобнее всего применять преобразователи с допустимым входным напряжением порядка 40...60 В.
В зависимости от решаемой задачи могут быть применены как классический компенсационный способ регулирования, так и импульсный преобразовательный. ON Semiconductor специально для автомобильных применений выпускает драйвер NUD4001 — стабилизатор тока светодиодов (рис. 6).

Рис. 6. Источник стабильного тока для питания светодиодов на базе NU4001
На его базе можно легко реализовать, например, проекты задних фонарей автомобиля, подсветки оборудования, органов управления и пр. Преимуществом NUD4001 является простота его использования, благодаря компенсационному принципу регулирования, для задания расчетного тока используется единственный внешний компонент — резистор Rext.
Для получения более высокого КПД, не ниже 80%, рекомендуется использовать DC/DC-преобразователи с ОС по току. Для этих целей ON Semiconductor разработал и выпускает универсальный интегральный импульсный регулятор NCP3065, позволяющий создавать преобразовате-ли любых типов: Buck, Boost, Buck-Boost, Cuk, SEPIC. К преимуществам NCP3065 перед аналогами относятся встроенный силовой транзистор с допустимым током коллектора до 1,5 А, а также низкое значение опорного напряжения ОС 235 мВ, позволяющее применять датчики тока с малым сопротивлением и исключить усилитель сигнала ОС. Высокая допустимая частота преобразования до 250 КГц позволяет исполь зовать в схеме керамические конденсаторы малой емкости вместо электролитических, что уменьшает общие габариты и массу преобразователя.
Схема включения NCV3065 (вариант NCP3065 для автомобильных применений) в режиме понижающего преобразователя Buck (Step-Down) представлена на рис. 7.

Рис. 7. Понижающий преобразователь на базе NCV3065 для автомобильных применений
Повышающие преобразователи
Задача увеличения напряжения, например для питания линейки последовательно соединенных светодиодов подсветки, чаще всего возникает при проектировании портативных устройств с аккумуляторным или батарейным питанием с напряжением 2...4 В. Для их реализации используются Boost (Step-Up) - схемы преобразования индуктивного или емкостного типа. Наиболее привлекательной разработкой ON Semiconductor в этой области являются функционально законченные, полностью интегральные регуляторы NCP5008/ 5009 (рис. 8).

Рис. 8. Повышающий преобразователь на базе NCP5009 с микропроцессорным управлением
Регуляторы содержат встроенные датчик тока, силовой ключ на MOSFET, последовательный интерфейс для связи с микроконтроллером, а NCP5009 еще и усилитель сигнала фототранзистора, что позволяет легко реализовать, например, автоматическое регулирование яркости подсветки в зависимости от уровня внешней освещенности. Для активно развивающегося направления AMOLED дисплеев для мобильных устройств (Active Matrix Organic Light Emitting Diode) ON Semiconductor выпускает лучшие в своем классе регуляторы NCP5810D, обеспечивающие как положительное, так и отрицательное выходные напряжения для питания AMOLED (рис. 9).

Рис. 9. Преобразователь на базе NCP5810 для питания AMOLED
В одном корпусе размещены Boost-регулятор с фиксированным выходным напряжением +4,6 В и Buck-Boost-конвертер с настраиваемым выходным отрицательным напряжением от -2 до -15 В. Высокая частота преобразования 2 МГц обеспечивает КПД не менее 85% и малые размеры дросселей и конденсаторов схемы. Высокоэффективная обратная связь обеспечивает жесткие требования к точности выходных напряжений, характерные для AMOLED дисплеев.
Конвертерные преобразователи
Для их реализации наиболее часто используются Buck-Boost, Cuk, SEPIC конвертерные схемы преобразования. Главной их особенностью является то, что выходное напряжение преобразователя может быть как ниже, так и выше входного.
Преимуществом SEPIC перед аналогами является то, что данный конвертер не изменяет полярности выходного напряжения, что благоприятно сказывается, например, при применении микропроцессорного управления преобразователем.
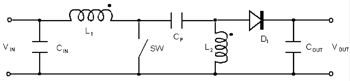
Рассмотрим кратко работу базовой схемы SEPIC (Single — Ended Primary Inductance Converter) конвертера (рис. 10).

Рис. 10. Базовая схема SEPIC конвертера
При замыкании ключа SW энергия из источника питания Vin запасается в L1. Одновременно энергия из Cp, подключенного в этот момент параллельно L2, перетекает в L2, D1 при этом закрыт и питание нагрузки Vout обеспечивается за счет энергии, запасенной в Cout.
При размыкании SW ток L1 течет через Cp и открытый D1 в нагрузку, перезаряжая тем самым Cp для следующего цикла. Дополнительно ток L2 также течет через открытый D1 в Cout и нагрузку, тем самым заряжая Cout для следующего цикла.
Далее циклы повторяются. На рис. 10 указана взаимная полярность обмоток L1 и L2 в случае, если они имеют общий сердечник. Теоретически дроссели могут быть не связанными, но в этом случае они должны иметь удвоенную индуктивность. К тому же пульсации входного тока будут существенно больше по сравнению со связанным вариантом.
Пример SEPIC-преобразователя на базе рассмотренного ранее универсального регулятора NCP3065 представлен на рис. 11. В табл. 1 представлены его основные характеристики.

Рис. 11. Схема SEPIC преобразователя на базе NCP3065
Таблица 1. Основные характеристики регулятора NCP3065
Параметр | Значение |
---|---|
Входное напряжение питания, В | 8...25 |
Выходное напряжение, В | 7,2...23 |
Выходной ток, А | до 1,0 |
КПД преобразования, % | 70...85 |
Гальваническая развязка | Нет |
Для обеспечения выходной мощности не менее 20 Вт ток коммутации L1 должен быть не менее 2,5 А. Внутренний силовой транзистор NCP3065 может обеспечить не более 1,5 А. Поэтому в схему введен внешний силовой ключ Q3. Схема согласования на элементах C2, D2, R6, Q2 уменьшает динамические потери при переключении Q3 и повышает тем самым КПД преобразования. Q1 используется для ШИМ управления значением выходного тока. Зависимос т ь вы ход ного ток а от уровня ШИМ линейная в диапазоне 5...90%.
Внешний вид модуля преобразователя представлен на рис. 12, размеры 57х31 мм.

Рис. 12. Модуль SEPIC преобразователя на базе NCP3065
Литература
1. NCP1028 High-Voltage Switcher for Medium Power Offline SMPS Featuring Low Standby Power, Data Sheet, rev. 2, December, 2007, ON Semiconductor.
2. AND8328 700 mA LED Power Supply Using Monolithic Controller and Off-line current Boosted (Tapped Inductor), Application Notes, rev.0, April, 2008, ON Semiconductor.
3. AN3321 High — Brightness LED Control Interface, Application Note, rev. 0, October, 2007, Freescale Semiconductor.
4. NCP3065 Up to 1.5 A Constant Current Switching Regulator for LEDs, Data Sheet, rev. P0, June, 2007, ON Semiconductor.
5. The Future of Lighting, High Brightness LED Solutions, rev. 1, 2007, Freescale Semiconductor.
6. SWITCHMODE Power Supply Reference Manual, rev. 3.0, July 2002, ON Semiconductor.
Ответственный за направление в КОМПЭЛе — Валерий Куликов

Получение технической информации, заказ образцов, поставка — e-mail: ac-dc-ac.vesti@compel.ru