Твердотельная электроника. Учебное пособие.
3.6. Вольт-фарадные характеристики структур МДП
3.6.1. Устройство МДП-структур и их энергетическая диаграмма
Структуры металл - диэлектрик - полупроводник, или сокращенно МДП-структуры, широким интересом к изучению их физических свойств обязаны появлению планарной технологии и развитию нового класса полупроводниковых приборов, работающих на основе эффекта поля, таких как приборы с зарядовой связью, полевые транзисторы с изолированным затвором, репрограммируемые элементы памяти с плавающим затвором и т.п. МДП-структуры позволяют анализировать основные процессы, протекающие в такого рода приборах, и являются чрезвычайно удобными объектами исследования. Устройство МДП-структуры следует из ее названия.
МДП-структура представляет собой монокристаллическую пластину полупроводника, называемую подложкой, закрытую с планарной стороны диэлектриком. Металлический электрод, нанесенный на диэлектрик, носит название затвора, а сам диэлектрик называется подзатворным. На обратную непланарную сторону полупроводниковой пластины наносится металлический электрод, называющийся омическим контактом. Довольно часто в качестве диэлектрика в МДП-структурах используют окислы, поэтому вместо МДП употребляется название МОП-структура [14, 11, 13]. Итак, МДП-структура, приведенная на рисунке 3.10, состоит из затвора, подзатворного диэлектрика, полупроводниковой подложки и омического контакта.

Рис. 3.10. Устройство МДП структуры
1 - затвор, 2 - подзатворный диэлектрик, 3 - полупроводниковая подложка, 4 - омический контакт
Рассмотрим зонную энергетическую диаграмму МДП-структуры при равновесных условиях. Согласно правилу построения зонных диаграмм необходимо, чтобы в системе при отсутствии приложенного напряжения:
а) уровень вакуума был непрерывен;
б) электронное сродство диэлектрика и полупроводника в каждой точке было постоянно;
в) уровень Ферми был одинаков.
На рисунке 3.11а приведена построенная таким образом зонная диаграмма для идеальной МДП-структуры. Под идеальной МДП-структурой будем понимать такую систему металл - диэлектрик - полупроводник, когда:
- отсутствуют поверхностные состояния на границе раздела полупроводник - диэлектрик,
- термодинамические работы выхода металла затвора и полупроводника подложки равны между собой,
- отсутствуют заряженные центры в объеме подзатворного диэлектрика,
- сопротивление подзатворного диэлектрика бесконечно велико, так что сквозной ток через него отсутствует при любых напряжениях на затворе.
На рисунке 3.11б, в приведены зонные диаграммы идеальных МДП-структур при различных полярностях приложенного напряжения VG к затвору.

Рис. 3.11. Зонная диаграмма идеальной МДП-структуры с полупроводником p-типа:
а) VG = 0; б) VG > 0; в) VG < 0; г) распределение зарядов в МДП-структуре при VG > 0; д) распределение приложенного напряжения VG между диэлектриком и полупроводником
МДП-структуры, близкие к идеальным, получают, используя "хлорную" технологию термического выращивания двуокиси кремния на кремнии, причем для n-Si в качестве материала затвора используется алюминий, а для p-Si используется золото.
МДП-структуры, в которых нарушается одно из вышеперечисленных требований, получили название реальных МДП-структур, рассмотрение свойств которых далее и проводится.
3.6.2. Уравнение электронейтральности
Рассмотрим более подробно связь между напряжением на затворе VG МДП-структуры и поверхностным потенциалом ψs. Все приложенное напряжение VG к МДП-структуре делится между диэлектриком и полупроводником, причем очевидно, что падение напряжения в полупроводнике равняется поверхностному потенциалу ψs.
Таким образом,
(3.75)Из (3.75) и анализа зонных энергетических диаграмм на рисунке 3.11 следует, что знак поверхностного потенциала ψs, выбранный нами ранее a priori, в действительности соответствует знаку напряжения на затворе VG. Действительно, положительное напряжение на затворе идеальной МДП-структуры вызывает изгиб зон вниз у полупроводников n- и p-типа, что соответствует положительным значениям поверхностного потенциала. Отрицательное напряжение VG вызывает изгиб зон вверх у поверхности полупроводника, что соответствует отрицательному значению поверхностного потенциала ψs.
Из условия электронейтральности следует, что заряд на металлическом электроде QM должен быть равен суммарному заряду в ОПЗ Qsc, заряду поверхностных состояний на границе раздела полупроводник-диэлектрик Qss и встроенному заряду в диэлектрик вблизи границы раздела Qox.
Тогда
(3.76)Согласно определению геометрической емкости диэлектрика Cox,
(3.77)отсюда
(3.78)Учитывая, что между металлом и полупроводником существует разность термодинамических работ выхода Δφms, получаем:
(3.79)Из соотношения (3.79) следует, что если VG > 0, то ψs > 0, величины Qsc < 0, Qss < 0, т.е. падение напряжения на диэлектрике Vox > 0. Аналогично будет соотношение знаков и при VG < 0. Поскольку нами было показано ранее, что
(3.80)подставив (3.80) в (3.79), имеем:
(3.81)Введем новое обозначение - напряжение плоских зон VFB (Flat Band). Напряжением плоских зон VFB называется напряжение на затворе реальной МДП-структуры, соответствующее значению поверхностного потенциала в полупроводнике, равному нулю:
(3.82)С учетом определения (3.82) из (3.81) следует:
(3.83)Таким образом, связь между напряжением на затворе VG и поверхностным потенциалом ψs с учетом (3.83) задается в виде:
(3.84)Проведем более подробный анализ (3.84) для различных областей изменения поверхностного потенциала.
Обогащение (ψs < 0)
Выражение для заряда в ОПЗ Qsc описывается соотношением (3.19). Подставляя (3.19) в (3.75), получаем:
(3.85)
Для больших значений ψs(
), когда Qsc >> Qss, из соотношения (3.85) следует:
(3.86)Отсюда
(3.87)Из (3.86) и (3.87) следует, что при обогащении поверхности дырками, как основными носителями, поверхностный потенциал ψs зависит от напряжения на затворе VG логарифмически, а заряд Qsc в ОПЗ зависит от напряжения на затворе VG линейно.
Обеднение и слабая инверсия (0 < ψs < 2φ0)
Заряд в ОПЗ Qsc в этом случае в основном обусловлен ионизованными акцепторами QB и выражается соотношением (3.20).
Разложим выражение для QB в ряд вблизи ψs = φ0:

здесь QB*, CB* - величина заряда и емкости ионизованных акцепторов в ОПЗ при ψs = φ0.
Подставив выражение для QB в (3.84) и учтя выражение для CB* (3.57), получаем:
(3.88)где
(3.89)
Из соотношения (3.88) следует, что в области обеднения и слабой инверсии поверхностный потенциал ψs зависит от напряжения VG линейно, причем тангенс угла наклона
определяется плотностью поверхностных состояний Nss, толщиной подзатворного диэлектрика dox и уровнем легирования полупроводниковой подложки NA.
Сильная инверсия (ψs > 2φ0)
Заряд в ОПЗ Qsc отрицателен, состоит из заряда ионизованных акцепторов QB и электронов Qn в инверсионном слое. Учитывая выражение (3.22) для Qn, имеем:
(3.90)где величина Δψs = ψs - 2φ0.
Введем пороговое напряжение VT как напряжение на затворе VG, когда в равновесных условиях поверхностный потенциал ψs равен пороговому значению 2φ0.
(3.91)Из (3.90) и (3.91) следует, что
(3.92)или с учетом определения VFB
(3.93)Из (3.93) следует, что если отсчитывать пороговое напряжение VT от на-пряжения плоских зон VFB, то оно будет состоять из падения напряжения в полупроводнике 2φ0 и падения напряжения на подзатворном диэлектрике за счет заряда ионизованных акцепторов и заряда в поверхностных состояниях. Для достаточно высоких значений ψs, когда βΔψs > 1, имеем:
(3.94)Отсюда
(3.95)
(3.96)Из (3.95) и (3.96) следует, что в области сильной инверсии, так же как и в области обогащения, поверхностный потенциал логарифмически зависит от напряжения на затворе VG, а заряд электронов в инверсионном слое Qn линейно зависит от величины VG.
На рисунке 3.12 приведена зависимость поверхностного потенциала ψs от напряжения на затворе VG, рассчитанная для различных толщин подзатворного диэлектрика dox.

Рис. 3.12. Зависимость поверхностного потенциала ψs от напряжения на затворе VG, рассчитанная из уравнения (3.84) для кремниевой МДП-структуры с различной толщиной подзатворного диэлектрика
3.6.3. Емкость МДП-структур
Одним из наиболее распространенных методов изучения свойств структур металл - диэлектрик - полупроводник является метод, основанный на анализе зависимости емкости МДП-структуры CМДП от напряжения на затворе VG, так называемый метод вольт-фарадных характеристик (ВФХ) или C-V метод. Для использования этого метода рассмотрим подробно теорию емкости МДП-структур. В дальнейшем величину удельной емкости МДП-структуры будем просто обозначать меткой C без индексов. Согласно определению емкости,
(3.97)Используя выражения для заряда на затворе QM из (3.77) и для падения напряжения на диэлектрике Vox из (3.75), получаем:
(3.98)Таким образом, зависимость C МДП-структуры от напряжения будет определяться полученной нами ранее зависимостью ψs(VG), приведенной на рисунке 3.12. Сразу же можно из анализа (3.86) и (3.98) сказать, что в области сильной инверсии и обогащения емкость C будет слабо зависеть от величины VG, выходя на насыщение при больших VG. В области обеднения и слабой инверсии следует ожидать, согласно (4.14), участка с почти постоянной величиной емкости. Общая зависимость емкости от напряжения будет иметь вид кривой с ярко выраженным минимумом.
Воспользуемся выражением (3.84) для напряжения на затворе VG и продифференцируем (3.79) по ψs.
(3.99)где Css, Csc - емкость поверхностных состояний и емкость ОПЗ, определенные ранее.
Подставляя (3.99) в (3.98) и проводя преобразования, получаем:
(3.100)или
(3.101)Соотношение (3.101) позволяет нам построить эквивалентную схему МДП-структуры, представив ее как последовательно соединенную емкость диэлектрика Cox с параллельной цепочкой емкости ОПЗ Csc и поверхностных состояний Css.
На рисунке 3.13 приведена эквивалентная схема емкости МДП-структуры. Отметим, что такую схему можно было нарисовать исходя из общих соображений об устройстве МДП-структур.

Рис. 3.13. Простейшая эквивалентная схема МДП-структуры
На рисунке 3.14 приведены равновесные C-V кривые идеальных МДП-структур с разной толщиной диэлектрика, рассчитанные по уравнению (3.109).

Рис. 3.14. Равновесные C-V характеристики идеальных МДП-структур на кремнии p-типа с различной толщиной подзатворного диэлектрика
3.6.4. Экспериментальные методы измерения вольт-фарадных характеристик
При экспериментальном измерении вольт-фарадных характеристик МДП-структур важное значение имеет частота измерительного сигнала ω. Это связано с тем, что процессы захвата и выброса на поверхностные состояния, а также изменения заряда свободных носителей в инверсионном слое, характеризующие соответствующие емкости Css и Csc, имеют конечные времена τ, сравнимые с периодом обычно используемого в эксперименте сигнала. Напомним, что изменение заряда Qn в инверсионном слое характеризуется генерационно-рекомбинационным процессом и определяется временем жизни неосновных носителей τn в ОПЗ. Характерное время захвата и выброса на поверхностные состояния определяется постоянной времени τ этих состояний. В зависимости от частоты измерительного сигнала различают два метода - метод высокочастотных C-V характеристик и квазистатический C-V метод.
Квазистатический C-V метод
В области низких частот, когда период измерительного сигнала существенно больше времени жизни неосновных носителей τn в ОПЗ и постоянной времени поверхностных состояний τ (ω-1 >> τn, τ), полная емкость МДП-структуры определяется суммой всех емкостей, входящих в уравнение (3.99). Вольт-фарадная характеристика, измеренная при этом условии, получила название равновесной низкочастотной C-V кривой. Характерный вид таких кривых обсуждался ранее (см. рис. 3.14).
Экспериментально низкочастотные кривые получают, обычно используя квазистатический C-V метод. Сущность этого метода сводится к тому, что измеряется ток смещения через МДП-систему при линейной развертке напряжения VG, и величина тока смещения Iсм оказывается пропорциональной емкости МДП-структуры. Действительно, если
(3.102)то величина тока смещения Iсм, согласно (3.97),
(3.103)Если емкость МДП-структуры зависит от напряжения C = C(VG), то и ток смещения также будет зависеть от напряжения Iсм = Iсм(VG).
Требование низкой частоты ω-1 >> τn, τ для измерения равновесных низкочастотных кривых обуславливает малые величины скорости изменения напряжения α = dU/dt в уравнении (3.103). Обычно величина α составляет α = 10-4÷10-2 В/с.
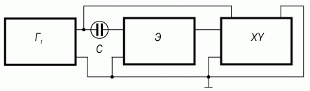
При этих условиях ток смещения через МДП-структуру мал (Iсм ≤ 10-9÷10-12 А) и для его измерения необходимо пользоваться электрометрическими вольтметрами. На рисунке 3.15 приведена схема реализации квазистатического метода. Для получения абсолютного отсчета емкости используются калибровочные емкости с малыми сквозными утечками, подключаемые вместо МДП-структур.

Рис. 3.15. Схема измерения квазистатических вольт-фарадных характеристик МДП-структур:
Г1 - генератор пилообразного напряжения, Э - электрометрический усилитель, XY - двухкоординатный самописец, C - МДП-структура
Метод высокочастотных C-V характеристик
Сущность метода высокочастотных характеристик заключается в том, что используется для измерения емкости МДП-структуры малый переменный сигнал с периодом, существенно меньшим, чем время жизни неосновных носителей и время перезарядки поверхностных состояний (ω-1 << τn, τ).
При этих условиях заряд в инверсионном канале Qn не успевает следовать за изменением переменного напряжения, и емкость неосновных носителей Cn равна нулю. Следовательно, емкость ОПЗ Csc в (3.99) будет обусловлена в обогащении основными носителями, а в обеднении и инверсии - только слоем обеднения CB. Поскольку поверхностные состояния не успевают перезаряжаться с частотой переменного тестирующего сигнала, то их емкость также равна нулю (Css = 0). Таким образом, емкость МДП-структуры на высокой частоте определяется только емкостью диэлектрика C0 и емкостью области пространственного заряда Csc без учета емкости неосновных носителей Cn. Кроме малого по амплитуде измерительного напряжения в этом методе к МДП-структуре прикладывается постоянное напряжение VG, изменяющее ее емкость C.
Обычно это напряжение VG подают от генератора линейно меняющегося напряжения. Полученную вольт-фарадную характеристику записывают на двухкоординатный самописец. На рисунке 3.16 приведена схема этого метода, иногда называемая схемой Гоетцбергера. Выберем соотношение емкости C МДП-структуры и нагрузочного сопротивления RH такое, чтобы всегда выполнялось условие RC = 1/ωC >> RH. Пусть с генератора переменного напряжения на МДП-структуру подается малое напряжение
, причем U < kT/q. Тогда ток через нашу емкость C и нагрузку RН будет:
(3.104)
Рис. 3.16. Схема измерения высокочастотных вольт-фарадных характеристик МДП-структур
Падение напряжения на нагрузочном сопротивлении URH равно:
(3.105)Таким образом, падение напряжения на нагрузочном сопротивлении URH пропорционально емкости МДП-структуры. После усиления этого сигнала узкополосным усилителем и детектирования с использованием синхродетектора для выделения только емкостной составляющей в сигнале, мы получаем отклонение пера на самописце по координате Y, пропорциональное емкости МДП-системы. Меняя величину VG и подавая сигнал генератора развертки VG одновременно на МДП-структуру и ось X самописца, получаем запись высокочастотной вольт-фарадной характеристики. Для получения абсолютных значений в отсчете емкости вместо МДП-структуры подключают калибровочную емкость.
3.6.5. Определение параметров МДП-структур на основе анализа C-V характеристик
Анализ вольт-фарадных характеристик позволяет получить обширную информацию об основных параметрах МДП-структур: типе проводимости полупроводниковой подложки (n- или p-тип); концентрации легирующей примеси в подложке и законе ее распределения в приповерхностной области полупроводника; величине и знаке встроенного в диэлектрик МДП-структуры заряда; толщине подзатворного окисла; плотности поверхностных состояний на границе раздела полупроводник - диэлектрик. Рассмотрим более подробно эти вопросы.
Определение типа проводимости полупроводниковой подложки
Для определения типа проводимости подложки воспользуемся высокочастотной вольт-фарадной характеристикой.
Как следует из эквивалентной схемы, приведенной на рисунке 3.13, и вида высокочастотной C-V кривой при обогащении основными носителями емкость МДП-структуры максимальна и определяется емкостью диэлектрика. В инверсии же емкость МДП-структуры максимальна. Таким образом, если максимум емкости C-V кривой лежит в более положительных напряжениях, чем минимум, то подложка изготовлена из полупроводника n-типа, если же максимум C-V кривой находится в более отрицательных напряжениях, то подложка изготовлена из полупроводника p-типа. На рисунке 3.17 приведены для примера высокочастотные ВФХ на n- и p-типах подложки.
Определение толщины подзатворного диэлектрика
Поскольку, как было показано ранее, в обогащении емкость МДП-структуры определяется только геометрической емкостью диэлектрика Cox, то:
(3.106)где εox - относительная диэлектрическая проницаемость окисла.

Рис. 3.17. Высокочастотные ВАХ МДП-структур, изготовленных на полупроводниковых подложках n- и p-типа
Отсюда следует, что:
(3.107)Напомним, что здесь Cox - удельная емкость подзатворного диэлектрика, т.е. емкость на единицу площади. Для подстановки в (3.107) экспериментальных значений необходимо сначала пронормировать емкость, т.е. разделить экспериментальное значение емкости на площадь S МДП-структуры. Как можно видеть из рисунка 3.14, при напряжениях на затворе VG - VFB ≈ (2÷3) В практически для всех МДП-структур полная емкость C только на 2-3% отличается от емкости диэлектрика. Исключение составляют структуры со сверхтонким окислом dox < 100 A, у которых в этой области VG становится существенным квантование в ОПЗ, и это отличие может достигать 10%.
Определение величины и профиля концентрации легирующей примеси
Для определения величины легирующей концентрации воспользуемся следующим свойством высокочастотных C-V характеристик МДП-структур: их емкость в области инверсии достигает минимальной величины Cmin и определяется только емкостью области ионизованных доноров CB и емкостью диэлектрика Cox. При этом
(3.108)Используя для емкости окисла Cox выражение (3.106) и для емкости области ионизованных акцепторов (3.57), получаем:
(3.109)Выражение (3.109), совместно с (1.67) для емкости ОПЗ ионизованных акцепторов, приводит к выражению для концентрации:
(3.110)На рисунке 3.18 приведена номограмма зависимости нормированной величины емкости Cmin/Cox от толщины dox для систем Si-SiO2 с концентрацией легирующей примеси NA в качестве параметра. Из рисунка 3.18 видно, что чем меньше толщина диэлектрика и ниже концентрация легирующей примеси, тем больше перепад емкости от минимального до максимального значений наблюдается на ВФХ. Для определения профиля концентрации NA от расстояния вглубь полупроводника z воспользуемся высокочастотной C-V кривой, снятой в области неравновесного обеднения. Неравновесное обеднение возможно реализовать в том случае, когда период напряжения развертки меньше постоянной τ генерационного времени неосновных носителей в ОПЗ. В этом случае величина поверхностного потенциала может быть больше ψs > 2φ0, а ширина ОПЗ соответственно больше, чем ширина ОПЗ в равновесном случае. Возьмем также МДП-структуру с достаточно тонким окислом, таким, чтобы падением напряжения на окисле Vox можно было бы пренебречь по сравнению с величиной поверхностного потенциала, т.е. Vox << ψs; VG ≈ ψs. В этом случае, согласно (3.108) и (3.110), тангенс угла наклона зависимости
(3.111)определит величину концентрации NA.

Рис. 3.18. Зависимость нормированной величины емкости Cmin/Cox в минимуме высокочастотной ВАХ от толщины подзатворного диэлектрика dox при различных величинах концентрации легирующей примеси для кремниевых МДП-структур
Значение координаты z, которой соответствует рассчитанная величина NA, определяется при подстановке значения ψs = VG в выражение для ширины ОПЗ:
(3.112)В предельном случае, когда толщина окисла dox → 0, эту величину используют, измеряя неравновесную емкость как емкость барьеров Шоттки при обратном смещении.
Определение величины и знака встроенного заряда
Для определения величины и знака встроенного в диэлектрик МДП-структуры заряда обычно пользуются высокочастотным методом ВФХ. Для этого, зная толщину подзатворного диэлектрика dox, концентрацию легирующей примеси NA и работу выхода материала затвора, рассчитывают согласно (3.101) и (3.58) теоретическое значение емкости плоских зон CFB МДП-структуры и напряжения плоских зон VFB = Δφms. Поскольку экспериментальная C-V кривая высокочастотная, т.е. Css → 0, то, проводя сечение C = const = CFB (теор.), мы получаем при пересечении этой кривой с экспериментальной ВФХ напряжение, соответствующее ψs = 0, т.е. экспериментальное напряжение плоских зон VFB (эксп.). При этом, согласно (3.83),
(3.113)Если Qox, Qss > 0, то VFB (эксп.) > VFB (теор.), и наоборот, если Qox, Qss < 0, то VFB (эксп.) < VFB (теор.).
Таким образом, знак и величина суммарного заряда в плоских зонах определяются соотношением (3.113) однозначно. Для вычленения заряда в поверхностных состояниях воспользуемся тем, что он обусловлен основными носителями (p-тип, Qss(ψs = 0) > 0 и n-тип, Qss(ψs = 0) < 0), захваченными на поверхностные состояния. Зная величину Nss, можно рассчитать величину заряда в поверностных состояниях Qss и таким образом из (3.83) определить величину и знак встроенного в диэлектрик заряда Qox.
3.6.6. Определение плотности поверхностных состояний на границе раздела полупроводник - диэлектрик
Методы вольт-фарадных характеристик дают несколько возможностей для определения величины и функции распределения плотности поверхностных состояний в запрещенной зоне полупроводника на границе раздела полупроводник - диэлектрик. Рассмотрим более подробно эти методы.
Дифференциальный метод
Дифференциальный метод, или метод Термана, основан на сравнении экспериментальной высокочастотной емкости МДП-структуры с теоретической расчетной емкостью идеальной МДП-структуры с такими же величинами толщины окисла и легирующей концентрации в подложке. На рисунке 3.19а приведены для иллюстрации метода расчета экспериментальная и расчетные C-V кривые.

Рис. 3.19. Расчет плотности поверхностных состояний дифференциальным методом:
а) экспериментальная и теоретическая ВФХ для МДП-системы Si-SiO2-Al; б) зависимость сдвига напряжения ΔVG от поверхностного потенциала ψs, полученная из сечения постоянной емкости C = const МДП-структуры; в) зависимость плотности ПС от энергии E в запрещенной зоне полупроводника, полученная графическим дифференцированием кривой ΔVG(ψs) по уравнению (3.115)
Поскольку емкость высокочастотная, то ее величина определяется только значением поверхностного потенциала ψs. Проведя горизонтальные сечения C = const, мы на экспериментальной кривой производим расстановку поверх-ностного потенциала ψs.
Сравнивая теперь величины напряжений на затворе VG теоретической и экспериментальных C-V кривых, соответствующих одной и той же емкости (а следовательно, и одному значению поверхностного потенциала ψs), получаем из (3.84):
(3.114)Графическим дифференцированием кривой (3.114) получаем:
(3.115)Метод, основанный на анализе соотношения (3.114), довольно широко распространен, прост и не требует громоздких выкладок. К недостаткам этого метода необходимо отнести тот факт, что зависимость плотности поверхностных состояний Nss от энергии E получается только в одной половине запрещенной зоны вблизи уровня Ферми. На рисунке 3.19б приведен график ΔVG(ψs), а на рисунке 3.19в - распределение плотности поверхностных состояний в зависимости от энергии в запрещенной зоне полупроводника, полученное из предыдущего графика путем дифференцирования.
Интегральный метод
Интегральный метод, или метод Берглунда, основан на анализе равновесной низкочастотной вольт-фарадной характеристики. Поскольку для равновесной низкочастотной C-V кривой справедливо (3.98), то
(3.116)Интегрируя соотношение (3.116) с граничными условиями ψs = ψsi, VG = VGi, получаем:
(3.117)Поскольку C(VG) - это экспериментальная кривая, то интегрирование уравнения (3.117) (потому метод и назван интегральным) сразу дает связь между поверхностным потенциалом и напряжением на затворе VG. Выбор значений ψs1 и VG1 произволен. Обычно величину ψs1 выбирают равной нулю (ψs1 = 0) и соответственно VG1 - это напряжение плоских зон VFB. Эти значения берутся из высокочастотных C-V кривых. Так как известна связь VG(ψs), то из равенства (3.99) после нескольких преобразований следует:
(3.118)Соотношение (3.118) позволяет определить величину и закон изменения плотности поверхностных состояний по всей ширине запрещенной зоны, что является преимуществом интегрального метода по сравнению с дифференциальным.

Рис. 3.20. Расчет плотности поверхностных состояний интегральным методом:
а) экспериментальная равновесная ВФХ МДП-системы Si-SiO2-Al; б) зависимость поверхностного потенциала ψs от напряжения VG, рассчитанная из этой кривой по уравнению (3.117); в) зависимость плотности ПС от энергии E в запрещенной зоне полупроводника, рассчитанная из уравнения (3.117) по этим экспериментальным данным
Из соотношения (3.117) следует, что численное интегрирование функции (1 - С/Сox) должно дать величину площади над равновесной C-V кривой. Поскольку емкость выходит на насыщение C → Cox при примерно одинаковых значениях поверхностного потенциала, то следует ожидать, что у кривых с разной плотностью поверхностных состояний площадь под кривой C-V будет одинакова. На рисунке 3.20а, б, в приведены этапы расчета равновесных C-V кривых и даны соответствующие графики.
Температурный метод
Температурный метод, или метод Грея - Брауна, основан на анализе изменения напряжения плоских зон VFB МДП-структуры при изменении температуры T. При изменении температуры полупроводника меняется объемное положение уровня Ферми.
Закон изменения φ0(T), а следовательно и φ0(E), известен и в области полной ионизации примеси довольно прост. Из выражения (3.83) для напряжения плоских зон VFB следует, что при изменении температуры
(3.119)Графическое дифференцирование соотношения (3.119) приводит к выражению для Nss:
(3.120)Основным достоинством температурного метода является тот факт, что этим методом возможно получить величину плотности поверхностных состояний Nss вблизи краев запрещенной зоны. К недостаткам метода следует отнести необходимость измерений в широком интервале температур T = (77÷400) К и трудность расчета, а также необходимость выполнения критерия высокочастотности в широком диапазоне температур. На рисунке 3.21а, б, в приведены экспериментальные C-V кривые, их изменение с температурой и результаты расчета.

Рис. 3.21. Расчет плотности поверхностных состояний температурным методом:
а) экспериментальные высокочастотные ВФХ МДП-структур Si-SiO2-Al при разных температурах T; б) зависимость измерения напряжения плоских зон ΔVFB и положения уровня Ферми φ0 в объеме полупроводника от температуры; в) зависимость плотности ПС Nss от энергии E в запрещенной зоне полупроводника, рассчитанная из уравнения (3.120) по этим экспериментальным данным
Copyright © 2003-2008 Авторы


Физика поверхности и МДП-структуры - Вольт-фарадные характеристики структур МДП